三合一单锥螺带锥形真空干燥机是一种利用螺带将物料旋转提升及圆锥夹套、空心螺带内同时通入传热介质(如热水、导热油、蒸汽等),使加热后物料从四周提升并从中间下落,快速不断的循环翻转,并通过筒体内抽真空将水汽及时带走, 使物料在短时间内达到干燥和混合目的。与传统的立式混合机相比,筒体内无任何传动机构,从根本上杜绝因润滑油泄漏而导致物料污染,运行可靠稳定,特别适宜卫生要求高的粉料、颗粒混合;同时也适用于粘性流体或稠状、湿状为主物料的搅拌混合;与其它卧式干燥机相比,具有出料方便,可以100%完全出料,操作、维修方便。它的干燥效率是同等规格“双锥回转真空干燥机”3-5倍。
二、特点:
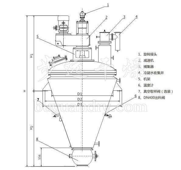
◆该机由减速机直接驱动搅拌器旋转。
◆适用范围广,可用于粉体与粉体、粉体与液体的混合,也可用作反应设备、干燥设备。
◆可根据用户要求加喷淋装置,从而在物料中喷入适量液体。
◆可根据工艺需要调节转速,当转速较低时,其干燥作用占主导地位;当转速较高时。其混合作用占主导地位,因此通过选用此设备,可以将原先需要二种设备才能达到目的,现在可以合二为一,节省成本。
三、三合一介绍
●一体化设计,简化了工序,减少了损耗,提高了产品收得率。
●每个密封点均特殊性设计。轴密封为双端面机械密封。
●过滤材料为304或316L,不锈钢丝网烧结或粉末烧结板,金属烧结板。根据用户需要可从3um到50um之间选择。
●搅拌轴转速通过变频器控制在1-10转/分之间任意调节。
●设置在位清洗,在位真空取样,蒸汽消毒。防止产品污染,更适应“GMP”要求。
●封闭状态下操作,产品无损漏,适合有强烈刺激气味及有毒性的物料。
●真空状态下操作,在低温下也有较高的蒸发速率,特别适合热敏性物料及易氧化物料的干燥,也能适合含有溶剂的物料,并能回收溶剂。
●设备结构紧凑,占地面积小,操作简便。
●装料量大,装料系数可达到容器有效体积60%。
●过滤阶段:产品和母液分离(真空抽滤)。滤饼厚度可达200-500mm.
●洗涤阶段:滤饼进一步纯化,残母液清洗和预脱水。通过搅拌桨叶将滤饼和洗液混合,最后形成浆状,
●悬浊液滤饼得到充分洗涤。
●干燥阶段:滤饼脱水后,通过回转使滤饼疏松,同时,夹套内蒸汽对内壁进行加热,通过热传导对滤饼进行加热升温,湿份迅速蒸发达到干燥的效果。通过设备内抽真空的方法加快蒸发速度。通过加入处理后的热氮气等介质带走蒸发的湿份,可加速物料的干燥,提高干燥效果。
注:在设备上加装一搅拌装置,在一定条件下可完成结晶过程,真正达到一体化操作。并能在洗涤阶段使滤饼和洗液更加容易充分混合,清洗更充分。
五、技术参数:
|
型号名称/项目规格 |
50 |
100 |
200 |
500 |
1000 |
1500 |
2000 |
3000 |
|
工作容积(L) |
50 |
100 |
200 |
500 |
1000 |
1500 |
2000 |
3000 |
|
*工作容积(L) |
35 |
70 |
140 |
350 |
700 |
1000 |
1400 |
2100 |
|
搅拌功率(kw) |
1.1 |
1.5 |
2.2 |
4 |
5.5 |
7.5 |
15 |
18.5-22 |
|
搅拌转速(rpm) |
9-18 |
6-11 |
||||||
|
工作温度(℃) |
40-140 |
|||||||
|
蒸发能力(kg/h) |
3-6 |
4-7 |
5-9 |
9-15 |
16-25 |
20-35 |
25-45 |
35-60 |
|
外形尺寸(长x宽x高)(mm) |
100x650 x1580 |
1200x800 x2100 |
1300x950 x2600 |
1600x1200 x3400 |
2000x1500 x4850 |
2200x180 0x5500 |
2500x2000 x6250 |
3000x2800 x6800 |





